S.E.M. Gallery - Image

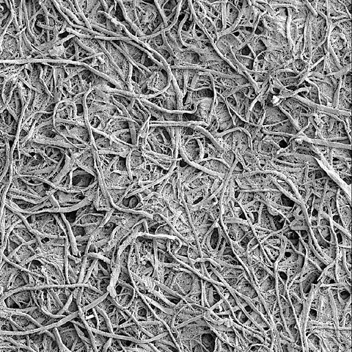
Silk (100%) handmade paper. Scanning electron microscope image. Select image magnification below to change magnification.


100X 1000X 2500X

| Return to S.E.M. Gallery Entrance


Overview | The Technology | Web Gallery | Exhibits | Contact | The Front Page
Copyright, All Rights Reserved 1998 - 2000

access overview page access gallery page access technolgy page access exhibits page