S.E.M. Image Gallery

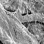
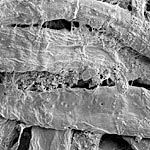
This gallery displays some images we have studied under higher magnification. Using a scanning electron microscope, we have been able to observe the binding of the fibers. To view a larger version of any of the images below, place your mouse cursor over the image and click. 

 
100X 1000X 2500X

Mouldmade Arches Text (100% Cotton) 

  Bluejeans Denim (100% Cotton)

Mohawk Superfine (Wood Pulp)

Silk (100%)

Barrel Cactus (70%) Cotton Linters (30%)

Papyrus 

Paper made by Wasps


Overview | The Technology | Web Gallery | Exhibits | Contact | The Front Page
Copyright, All Rights Reserved 1998 - 2004

access overview page access gallery page access technolgy page access exhibits page